product center
什么是晃电
国标GB/T 30137-2013 中定义:工频电压方均根值突然降至额定值的90%~10%,持续时间为10ms~1min后恢复正常的现象。

晃电有哪些危害
01
造成长时间停产
一些对电压骤降非常敏感的用户及设施 (例如:半导体行业、电子数控设备、变速传动的电动机装置、IT产业设备企业等)一旦发生电压骤降,带来的损失将是巨大的。
电压暂降幅值和持续时间超过敏感负荷的关键控制设备的耐受能力时,会影响正常工作。使其停止工作或在电压恢复时自我重启动,从而引起由它们控制的自动化生产线停止工作,甚至无序重启。
电压暂降会造成接触器或保护回路等动作跳闸,引起电机等主要用电设备停止工作。
短时中断可造成系统和用户短时间的电力中断。
电力用户的生产流水线一旦由于电压波动而被迫停运,不但正在流水线上被加工的产品报废,生产线也需要重启动,从而造成至少数小时的生产停顿。这和非计划停电又恢复供电的重新启动没有区别。
02
带来巨大的经济损失
电压暂降导致用户需要长时间的清理现场和设备重启,每次事件给用户带来的经济损失和危害十分严重。且无法保障安全生产。
晃电如何治理
电压暂降的治理:
从理论上来说,在任何一级设备上治理都可以改善电能质量,而花费的费用与时间却不同。
电压骤降从电力供应源头治理到整条生产线的治理、设备级的治理,再到设备控制级的治理,治理费用以数量级的比例下降。因此从治理成本及有效性来说,更提倡在设备末端进行治理,甚至是深入到设备内部的电气控制元器件处治埋。越是靠近末端进行治理,所花费成本越少,亦能达到同样的治理效果。
因此,治理的关键就在于解决低压系统敏感设备的晃电问题。
典型的电动机回路包含以下元件:

抗晃电装置介绍
1
概述
安科瑞ARD-KHD-S03系列抗晃电装置,具备 “晃电保持+晃电再起动"功能,能够抵御接触器控制回路晃电引起的接触器释放(不包括直流接触器或带节能功能的接触器),也可以针对变频、软起回路实现再启动,保障设备的连续性运行,为企业可靠生产保驾护航。
2
产品特点
■晃电保持和晃电再起动相结合,接线方便,能有效抵御电压跌落引起的接触器释放
■抗晃电可编程设置,满足不同客户需求
■4路可编程DI输入,采用内置DC24V电源;4路可编程无源DO输出
■可选配1路MODBUS_RTU通讯
■可选配记录晃电事件、开关量事件、接触器事件、装置事件、上电事件、暂升暂降事件,各类事件各16条,方便用户维护管理
■主体标配液晶显示,同时选配外置嵌入式安装显示单元
■外置显示单元支持U盘程序升级
3
型号说明


晃电治理方案
1
接触器回路常见晃电治理方案
1、UPS供电-通过UPS保障电源侧供电
2、防晃电接触器-采用带防晃电功能的接触器
3、再起动控制-通过电动机保护器等设备在二次控制回路弥补
4、抗晃电装置-通过专用模块对接触器进行保持和控制

ARD-KHD-S03A/B控制原理及动作逻辑


2
变频器回路常见晃电治理方案
一般变频器都有过压、失压和瞬间停电的保护功能。变频器的逆变器件为IGBT,在失压或停电后,将允许变频器继续工作一个短时间TD,若失压或停电时间TOTD过长,变频器自我保护停止运行。
变频器常见治理方案
UPS供电
变频器自启动
直流支撑技术
控制电路失压再起动

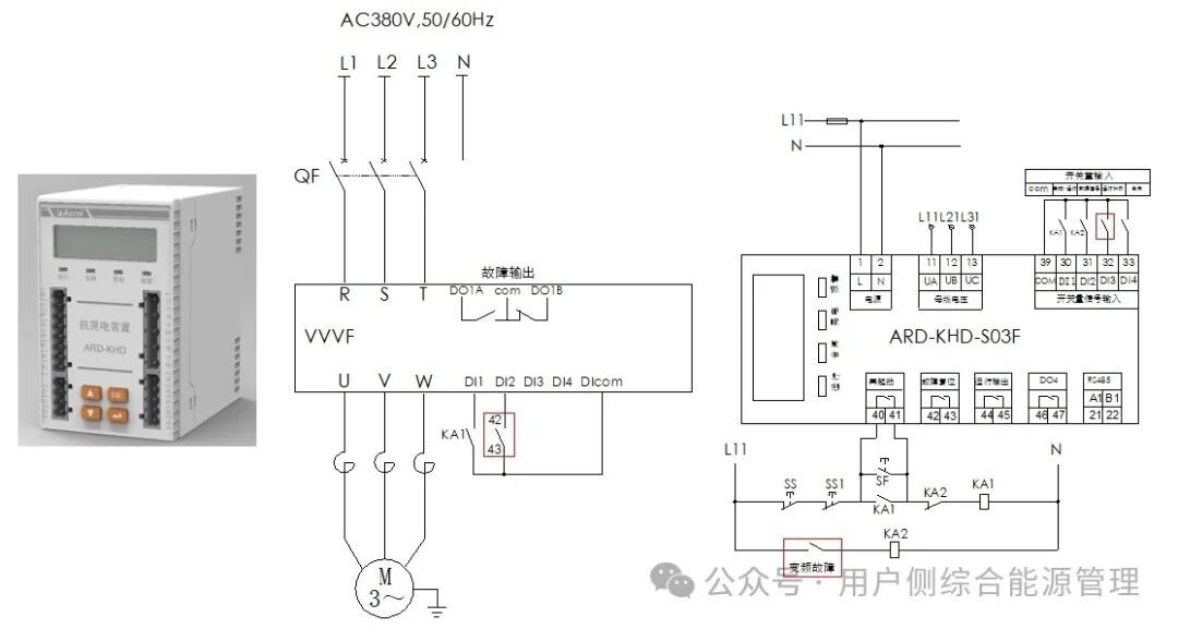
ARD-KHD-S03F变频回路控制原理

3
软启回路常见晃电治理方案
软启动器在工业现场多用于45kW以上的大功率电机,具备软启动、软停车和各类保护功能。其作用是实现在整个启动过程无冲击而平滑的起动电机,防止起动阶段出现大电流,保障大功率电机的正常起停和使用寿命
相比变频器,软启动器本质上是一个调压器,无法调频调速,变频器几乎具备软起动器的所有功能,因此适用于变频器晃电再启动的ARD-KHD-S03F同样适用于软启动器的晃电再启动。
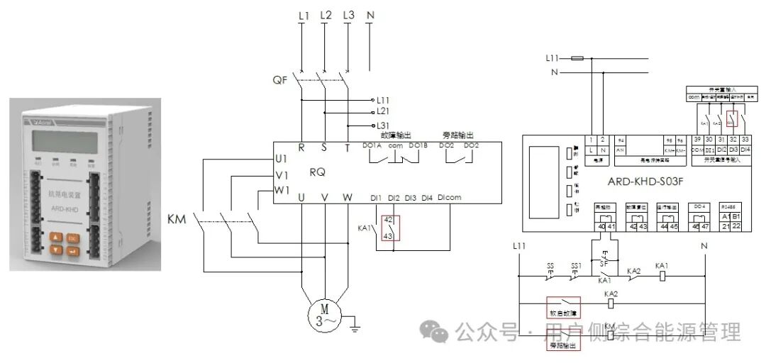
ARD-KHD-S03F软启回路控制原理


您的位置: