1 概述
ADW600多回路电力计量模块主要用于计量低压网络的三相有功电能,具有体积小、安装简便、功能丰富等优点。产品采用模块化设计,包括电压模块、电流模块、开关量模块、测温漏电模块等,模块间采用网线连接,可支持多回路拼接使用。适用于低压侧多回路计量场景,尤其是电力改造需求。
2 核心优势
多回路独立、准确计量:可以对多个不同回路的电量进行分别准确计量,能准确统计每个回路的用电情况,这对于需要详细了解各部分用电状况的场所,如大型商业建筑、工业厂房等,尤为重要。通过分别计量不同区域、不同设备的用电,能准确掌握各部分的用电负荷和能耗分布。
集中监测、便于管理:将多个回路的电量信息集中显示和管理,无需为每个回路单独安装电表,减少了电表的安装数量和空间占用,方便工作人员进行统一监测和管理。在一个集中的电表显示屏或通过配套的管理软件,就能查看各个回路的用电数据,大大提高了用电管理的效率。
能耗分析与优化,实现节能降耗:通过对各回路用电数据的详细分析,用户可以了解不同时间段、不同设备的用电情况,找出高能耗的环节和设备,从而有针对性地采取节能措施,如合理调整设备运行时间、更换节能设备等,实现节能降耗,降低用电成本。
灵活配置,适应不同用电需求:多回路电表可以根据实际用电情况进行灵活配置,适应不同的回路数量和用电负荷要求。无论是小型商业场所的几个回路,还是大型工业企业的数十个甚至上百个回路,都可以通过选择合适规格的多回路电表来满足计量和管理需求。
数据传输与远程监控:支持数据传输功能,可将用电数据上传至后台管理系统,实现远程监控和智能化管理。管理人员可以通过手机、电脑等终端随时随地查看用电数据,进行远程抄表、电量分析等操作,提高管理的便捷性和及时性。同时,也为实现智能电网、能源管理系统等应用提供了基础数据支持。
3 应用场景
商业综合体、老旧小区、工业厂房、智慧园区。
4 ADW600多回路计量模块功能特点
表1 ADW600主要功能

5 技术参数
5.1电气特性
表2 ADW600电气特性

5.2 环境条件
表3 ADW600环境条件

6 外型尺寸及安装说明
6.1外型尺寸(单位:mm)


图1 ADW600效果图

图2 ADW600尺寸图
备注:
1. 图1中的ADW600效果图左侧的ADW600-M网关(-4G/-CE/-WF),需要另外下单。
2. 不同模块之间网线连接时需要注意BUS-IN为进线接口、BUS-OUT为出线接口,以ADW600-M或电源模块为起点依次往后连接,不能接反。
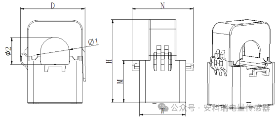
6.2配套互感器外型尺寸(单位:mm)
表4 ADW600-I配套互感器规格尺寸


图3 配套互感器尺寸图
6.3 接线说明
ADW600多回路计量模块之间采用网线连接,BUS-IN为进线接口、BUS-OUT为出线接口,以ADW600-M或电源模块为起点依次往后连接,不能接反。
ADW600-U需要接入负载电压信号,参照下方接线图,11-14端子分别接入UA、UB、UC、UN电压信号,若采用三相三线接法时,11-13接入UA、UB、UC电压信号,然后将UB短接进UN端子即可。

图4 ADW600-U接线图
ADW600-I需要接入负载电流信号,参照下方接线图,标配互感器为RJ12接口插入电表端子即可,分别将三个互感器根据指示方向卡在负载线缆上即可。


图5 ADW600-I接线图
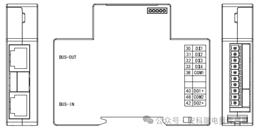
ADW600-K根据需要接入开关量输入或输出信号线,注意COM口为公共端,参照下方接线图。

图6 ADW600-K接线图
ADW600-TL根据需要接入测温信号线或剩余电流互感器信号线,注意COM口为相邻测量回路的公共端,具体接线图如下。

图7 ADW600-TL接线图