基于全球碳减排的要求,2020年中国提出“双碳"目标,要求二氧化碳排放力争于2030年达到峰值,努力争取2060年实现碳中和,为实现该目标,作为碳排放的主体,电力行业提出新型电力系统改革,要求建设以新能源为主体的电力系统。风、光发电系统作为新能源发电技术,因技术成熟度高、建设成本低等优势大量布局,但因为受环境影响,对供电的稳定性和可靠性带来一定的挑战。储能作为一种电力存储的介质,对于稳定分布式发电、负荷波动等具有一定的优势,随着储能技术、成本、安全因素越来越有优势,储能也成为新型电力系统中的因素。同时受传统供电的可靠性、分时电价的影响,越来越多的企业、园区、高校、医院、高速服务区等场所,开始通过建设微电网来满足自己的供电需求及降低综合用电成。对于微电网的建设,国家能源局出台了相关的建设指导意见、管理办法、测试规范、痛点等政策,为微电网的建设也提供更加明确的方向。
分布式光伏发电因其循因地制宜、清洁高效、分散布局、就近利用,节能减碳、助力双碳,使其得到广泛应用与推广。随着分布式光伏的建设与应用,存在以下问题:
统一监管困难:分布式光伏布局广泛,覆盖面积大,无法做到集中监控;
数据分析不全:数据分析不到位,导致设备故障定位、发电效率、能量流向无法感知;
能源利用率低:大量分布式能源装机后存在弃光或者直接并网,导致回收期增加;
缺乏安全保护:受发电与电网的影响,系统易出现电压波动、孤岛等安全现象;
能源可靠性不足:受环境条件影响,具有较大的波动性和随机性,供电系统不稳定。
分布式光伏主要应用于工业园区、停车场、学校、污水处理厂、交通等行业中有应用。

2.1.3解决方案
(1)方案简介
分布式光伏发电系统中装设的电力二次部分主要有继电保护及安全自动装置,如线路保护、安全自动装置、防孤岛保护防止孤岛效应带来的危害、UPS电源等设备,为满足调度自动化要求,需配置远动系统、对时设备及安全防护装置;为满足系统电量统计,需配置电能计量装置,如关口计量表、并网电能表、自用电计量电能表及采集终端等装置;为满足并网电能质量的要求,需要配置电能质量监测装置,监测光伏发电给电网带来的电压偏差危害,并及时系统报警进行整改;同时建立整个光伏系统的通信设备,满足系统的互联互通和可管理性。
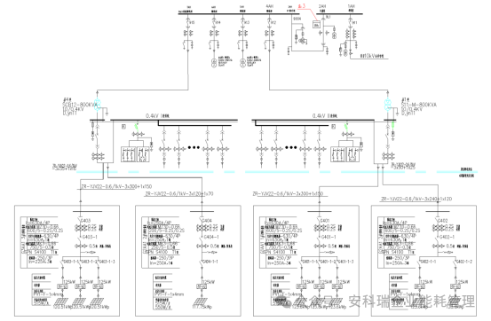
(2)电气一次图
0.4kV并网一次图
10kV并网一次图
(3)系统架构
分布式光伏监控系统,按照站控层、间隔层、设备层三层架构设计,通过间隔层通信管理机及网络交换机实时采集微机保护装置、电能质量监测、计量、远动系统等二次设备数据,实现多个区域光伏发电系统全面监控与自动化管理。同时在监控室配置通信系统、对时系统、远动系统满足系统内部的通信与上级调度需求,配置一套一体化电源系统,为二次设备及监控主机等重要设备运行提供稳定可靠的电源,实现整个光伏系统的安全、稳定运行。

2.1.4.1 Acrel-1000DP分布式光伏监控系统
Acrel-1000DP分布式光伏监控系统,是我司根据电力系统自动化及无人值守的要求,总结国内外的研究和生产的先进经验,专门研制出的新一代分布式光伏监控系统。本系统具有保护、遥测、遥信、遥脉、遥调、遥控功能,可实现无人或少人值守功能,为监控系统的安全、经济、可靠运行提供了全新的解决方案。
本系统采用分层分布式结构,整个监控系统在物理上分为两个层:站控层和间隔层。站级通信网络采用标准以太网及TCP/IP通信协议,物理媒介可以为光纤、网线、屏蔽双绞线等。系统支持Modbus RTU、Modbus TCP、CDT、IEC60870-5-101、IEC60870-5-103、IEC60870-5-104、MQTT 等通信规约。
(1)光伏监控总览
展示光伏电站名称、位置、逆变器数量等基本信息;统计当前光伏电站日、月、年发电量;按汇流数据分散分析每组光伏组件发电功率以及工作状态。

(2)光伏组件监控
展示整个光伏阵列各个组件的电压、电流、功率等电参量信息;监测逆变器当前输入功率、输出功率、温度及当前状态等信息;监测逆变器交直流侧电参量信息。

(3)光伏功率预测
光伏发电功率预测系统通过采集数值天气预报数据、实时环境气象数据、光伏电站实时输出功率数据、光伏组件运行状态等信息,可按照电网调度技术要求,实现标准格式的短期功率预测、超短期功率预测,以及光伏电站实时气象数据、装机容量、投运容量、最大出力等信息的上报。

(4)电能质量监测
针对分布式光伏发电并网提供高精度的电能质量监测与分析,针对并网点的电压谐波、电流谐波、电压间谐波、电流间谐波、三相电压不平衡度、电压波动与闪变及直流分量进行实时监测与分析,为用户的微电网系统运行提供可靠保障。

2.1.4.2 AcrelCloud-1200光伏运维云平台
(1)综合看板
展示所有光伏电站的数量,装机容量,实时发电功率;累计日、月、年发电量及发电收益;累计社会效益;柱状图展示月发电量。

(2)电站状态
展示当前光伏电站发电功率,补贴电价,峰值功率等基本参数;统计当前光伏电站的日、月、年发电量及发电收益;电站年利用小时数计算;摄像头实时监测现场环境,并且接入辐照度、温湿度、风速等环境参数;显示当前光伏电站逆变器接入数量及基本参数。

(3)逆变器状态
逆变器基本参数显示;日、月、年发电量及发电收益显示;逆变器年利用小时数计算;通过曲线图显示逆变器功率、环境辐照度曲线;直流侧电压电流查询;交流电压、电流、有功功率、频率、功率因数查询。

(4)曲线分析
展示交、直流侧电压、功率、辐照度、温度曲线。

(5)配电图
实时展示逆变器交、直流侧的数据;展示当前逆变器接入组件数量;展示当前辐照度、温湿度、风速等环境参数;展示逆变器型号及厂商。

(6)APP访问
通过手机APP随时查看光伏电站的发电数据、收益、异常告警信息,帮助用户实时管理光伏站。

序号 | 名称 | 型号 | 图片 | 功能说明 | 使用场景 |
1 | 分布式光伏监控平台 |
| Acrel-1000DP | 实现分布式光伏系统的综合监测、电站运行监测、逆变器监测、系统一次图、运行报表与收益统计、告警分析、视频监控等功能; | 光伏就地监控 |
2 | 分布式光伏运维云平台 |
| AcrelCloud -1200 | 实现单个及多个分布式光伏系统的综合监测、电站运行监测、逆变器监测、系统一次图、运行报表与收益统计、告警分析、视频监控等功能;同时支持APP访问。 | 云端部署 |
3 | 线路保护装置 |
| AM5SE-F | 三段式方向过流保护,两段零序过流保护,检同期/无压三相一次重合闸,低频减载等保护功能;采集断路器分合位、手车工作试验位/接地刀闸位置等信号;对断路器遥控分合闸功能;测量回路三相电压U,I,P,Q,PF,f,Ep,Eq等电参量: | 10kV进线柜 |
4 | 电能质量在线监测装置 |
| APView500 | 采集进线电压以及市电进线电流,对市电侧电能质量进行监测,主要包括:电压偏差、频率偏差、2-63次谐波、0.5-62.5次间谐波、电压波动、电压闪变等稳态数据;电压普降、电压暂升、短时中断;电压瞬态、电流态。 | 10kV进线柜 |
5 | 变压器保护装置 |
| AM5SE-T | 三段式过流保护,两段零序过流保护,过负荷保护,高温超温保护,瓦斯保护等保护功能;采集断路器分合位、手车工作试验位/接地刀闸位置等信号;对断路器遥控分合闸功能;测量回路三相电压U,I,P,Q,PF,f,Ep,Eq等电参量。 | 10kV变压器出线柜 |
6 | 线路保护装置 |
| AM5SE-F | 三段式方向过流保护,两段零序过流保护,检同期/无压三相一次重合闸,低频减载等保护功能;采集断路器分合位、手车工作试验位/接地刀闸位置等信号;对断路器遥控分合闸功能;测量回路三相电压U,I,P,Q,PF,f,Ep,Eq等电参量。 | 10kV接入柜 |
7 | 防孤岛保护装置 |
| AM5SE-IS | 采集并网柜电压以及并网柜电流,对光伏发电侧侧电能质量进行监测,主要包括:电压偏差、频率偏差、2-63次谐波、0.5-62.5次间谐波、直流分量、电压波动、电压闪变等稳态数据;电压暂降、电压暂升、短时中断。 | 10kV并网柜 |
8 | 电能质量在线监测装置 |
| APView500PV | 采集并网柜电压以及并网柜电流,对光伏发电侧侧电能质量进行监测,主要包括:电压偏差、频率偏差、2-63次谐波、0.5-62.5次间谐波、直流分量、电压波动、电压闪变等稳态数据;电压暂降、电压暂升、短时中断。 | 10kV并网柜 |
9 | 线路保护装置 |
| AM5SE-F | 三段式方向过流保护,两段零序过流保护,检同期/无压三相一次重合闸,低频减载等保护功能;采集断路器分合位、手车工作试验位/接地刀闸位置等信号;对断路器遥控分合闸功能;测量回路三相电压U,I,P,Q,PF,f,Ep,Eq等电参量: | 10kV并网柜 |
10 | 线路保护装置 |
| AM5SE-F | 三段式方向过流保护,两段零序过流保护,检同期/无压三相一次重合闸,低频减载等保护功能;采集断路器分合位、手车工作试验位/接地刀闸位置等信号;对断路器遥控分合闸功能;测量回路三相电压U,I,P,Q,PF,f,Ep,Eq等电参量: | 10kV集电线路柜 |
11 | 变压器保护装置 |
| AM5SE-T | 三段式过流保护,两段零序过流保护,过负荷保护,高温超温保护,瓦斯保护等保护功能;采集断路器分合位、手车工作试验位/接地刀闸位置等信号;对断路器遥控分合闸功能;测量回路三相电压U,I,P,Q,PF,f,Ep,Eq等电参量。 | 10KV升压变压器柜 |
12 | 箱变测控装置 |
| AM6-PWC | 集保护,测控,通讯一体化装置,支持差动保护、三段式电流保护、零序电流保护、过电压保护、低电压保护、零序过压保护,以及非电量保护,可测量三相电流、三相电压、频率、功率因数、有功功率、无功功率。具有2个自愈型光纤通讯接口,可组光纤环网,3路以太网接口,4路485通信接口,多种规约配置和转换。 | 10kV箱变 |
13 | 电能质量在线监测装置 |
| APView500 | 采集并网柜电压以及并网柜电流,对光伏发电侧侧电能质量进行监测,主要包括:电压偏差、频率偏差、2-63次谐波、0.5-62.5次间谐波、直流分量、电压波动、电压闪变等稳态数据;电压暂降、电压暂升、短时中断。 | 0.4kV并网柜 |
14 | 防孤岛保护装置 |
| AM5SE-IS | 低电压保护,检有压自动合闸,过电压保护,低频减载,高频跳闸,频率突变跳闸,三段式过流保护,两段零序过流保护,检同期/无压三相一次重合闸保护功能;采集断路器分合位、手车工作试验位/接地刀闸位置等信号;对断路器遥控分合闸功能;测量回路三相电压U,I,P,Q,PF,f,Ep,Eq等电参量。 | 0.4kV并网柜 |
15 | 交流计量电表 |
| APM系列 | 电力参数测量、复费率电能计量、四象限电能计量、谐波分析以及电能监测和考核管理。 接口功能:带有RS485/MODBUS协议; 带开关量输入和继电器输出实现断路器开关的“遥信"和“遥控"的功能 | 并网柜、计量柜 |
16 | 通信管理机 |
| ANet-2E8S1 | 2 路 10/100M 自适应以太网接口 提供加密及身份认证等安全需求, 支持断点续传,支持Modbus、DL/T645、101、103、104等协议 | 通信屏 |