欢迎您来到江苏安科瑞电器制造有限公司网站!
技术文章 / article 您的位置:网站首页 > 技术文章 > 5MW/10MWh 分布式储能落地!Acrel1000 自动化系统守护厂区用电安全高效
产品中心

product center

5MW/10MWh 分布式储能落地!Acrel1000 自动化系统守护厂区用电安全高效

发布时间: 2025-11-10  点击次数: 94次
  引言
 
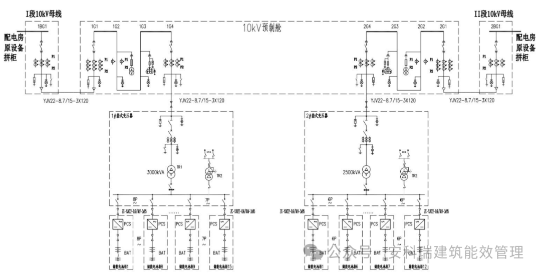
  在工业生产中,用电负荷大、电能质量要求高是许多制造企业的共性需求。某厂区深耕紧固件、钨钢模具等产品生产,坐拥千余台套进口自动化设备,对电力供应的稳定性与经济性提出了严苛要求。为此,该厂区配置 5MW/10MWh 锂电池储能系统,搭配 Acrel1000 分布式储能综合自动化系统,构建起的电力保障方案。
 
  项目核心配置:筑牢电力基础
 
本次项目针对性解决厂区高负荷用电需求,核心配置亮点十足:
 
  储能容量达 5MW/10MWh,搭配 3000kVA 与 2500kVA 变压器各 1 台,新建 10kV 开关舱;
 
  直流电经逆变转为 690V 交流电,最终以 10kV 电压等级接入 2 座 10kV 开关舱进线柜,实现稳定并网;
 
  遵循《浙江电网电化学储能电站并网技术要求》,在储能并网点及公司配电房公共连接点,各装设 1 套在线式电能质量监测装置,实时捕捉谐波、负序、电压波动与闪变等关键参数。
 
  多重保护装置:守住安全底线
 
  为保障储能系统与电网协同运行的安全性,项目配备保护机制:
 
  总配电房 10kV 母线侧设置故障解列装置,故障时可快速跳开储能接入柜开关;
 
  10kV 进线柜配置阶段式方向过流保护与逆功率保护装置,储能接入柜同步配备阶段式方向过流保护,多重防护避免电力故障扩散;
 
  2 套防孤岛保护装置,确保非计划孤岛场景下,系统 2 秒内与电网断开连接;
 
  2 套频率电压紧急控制装置,当频率、电压超出允许范围,立即跳开储能并网点开关,保障电力系统稳定。
 
  智能通信与监测:实现精准管控
 
高效的自动化系统离不开稳定的通信与智能监测支撑:
 
  并网通信系统以电网安全经济运行为核心,满足调度自动化、继电保护等业务需求,通过 104 协议实现远动数据、电能计量数据及电池状态数据稳定传输至嘉善调度自动化系统;
 
  敷设单芯 4 模光纤,构建 “储能电站 — 惠民变 — 嘉善供电公司” 的光缆通信通道,确保信息上送实时可靠;
 
  搭建完善的二次系统架构,涵盖远动装置、时间同步、电能质量监测、防孤岛保护、频率电压紧急控制等各类智能设备,实现对变压器、开关舱等核心设备的测控。
 
  系统价值:兼顾安全与效益
 
  Acrel1000 分布式储能综合自动化系统的落地应用,为厂区带来多重价值:
 
  实时监测电能质量,及时预警异常参数,保障生产设备免受电压波动、谐波等问题影响,减少设备损耗与生产中断风险;
 
  多重保护装置快速响应故障,防孤岛、防逆流等功能全面规避电力安全隐患,守护厂区电力系统与人员安全;
 
  智能调度与稳定并网设计,提升电力资源利用效率,助力厂区降低用电成本,实现绿色低碳生产。
 
  结语
 
  工业储能是企业降本增效、保障用电安全的重要抓手。Acrel1000 分布式储能综合自动化系统以专业配置、智能管控、保护,为高负荷厂区提供了可落地的电力解决方案。
 
  若你的企业也面临用电负荷大、电力稳定性不足等问题,想了解更多分布式储能自动化系统的应用细节,欢迎后台私信咨询,我们将为你提供定制化解决方案!