一、用户侧并网发电系统现状
随着新能源的发展,很多用户会选择在原有的公共电网配电系统的基础上新上分布式光伏发电、风力发电、储能等发电系统。但由于发电量的波动与用户侧用电负荷的不断变化,为防止用户侧并网发电系统逆向发电,向公共电网倒送电,因此需科学合理的使用用户侧并网发电系统,同时对用户侧并网发电系统进行安全控制,从而达到防逆流功能。
二、解决方案
采用不允许向电网倒送电方式的用户侧并网发电系统时,需在公共连接点配置防逆流保护装置,通过防逆流软件柔性调节、防逆流保护刚性跳闸相结合的方案,在产生逆向功率倒送公共电网时快速断开并网柜,防止用户侧并网发电系统持续发电倒送公共电网。
2.1 不同应用场景下的防逆流保护装置配置方案
100m:当逆流监测点与并网柜之间线缆敷设距离 100m 以内,采用单机版装置 AM5SE-IS 来实现防逆流保护功能;
20k:当逆流监测点与并网柜之间线缆敷设距离在100m 至 20km 之间时,采用主从机版装置 AM5SE-PV 系列,主机从机之间可采用光纤连接,实现主从机的远程防逆流功能。
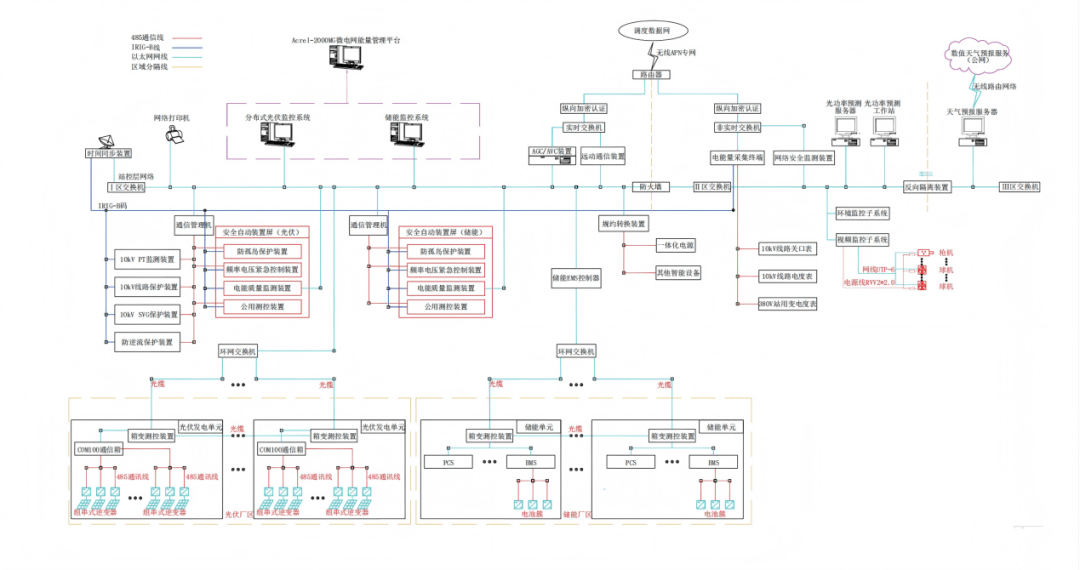
2.2 35kV用户变电站

三、系统拓扑
用户侧并网发电系统,按照站控层、间隔层、设备层三层架构设计,通过间隔层通信管理机及网络交换机实时采集防逆流保护装置、微机保护装置、电能质量监测、计量、远动系统等二次设备数据,实现多个区域用户侧并网发电系统监控与自动化管理。同时在监控室配置通信系统、对时系统、远动系统满足系统内部的通信与上级调度需求,配置一套一体化电源系统,为二次设备及监控主机等重要设备运行提供稳定可靠的电源,实现整个用户侧并网发电系统的安全、稳定运行。

四、防逆流软件功能
防逆流软件可实时监测防逆流监测点功率变化,当前光伏发电总功率、储能实时放电功率与储能实时充电功率以及每个并网单元并网点的实时功率。
防逆流软件可设置逆功率跳闸的功率阈值与跳闸动作时间、低功率调节的功率阈值与调节时间、以及功率恢复正常后判断合闸的功率值与恢复合闸动作时间。

①低功率柔性调节
防逆流软件设置低功率调节的功率阈值(该功率为用户侧使用公共电网的下网功率),当公共电网的下网功率较低,可能会由于负荷波动导致逆向功率产生时,防逆流软件柔性调节,给用户侧并网发电系统的并网单元发送降低发电功率指令,防止逆向功率产生。
②逆功率跳闸
防逆流软件设置逆功率跳闸的功率阈值(该功率为用户侧并网发电系统向公共电网反向供电的上网功率),当用户侧并网发电系统向公共电网反向供电的上网功率触发逆功率跳闸功率阈值,防逆流软件给用户侧并网发电系统的并网单元发送跳闸指令,切断用户侧并网发电系统的并网单元,防止持续向公共电网逆向供电。
③功率恢复合闸
当用户侧并网发电系统的并网单元因逆功率跳闸后,用户侧使用公共电网的下网功率恢复正常阈值,且在功率恢复合闸时间内并网单元仍未恢复合闸,防逆流软件给跳闸的用户侧并网发电系统的并网单元发送合闸指令,恢复用户侧并网发电系统的并网单元的发电,提高用户侧并网发电系统的利用率,减少公共电网的使用。
五、防逆流杂护装置
5.1 单机版防逆流保护装置--AM5SE-IS 防逆流保护装置

AM5SE-IS 防逆流保护装置主要适用于 35kV、10kV 及低压 380V 光伏发电、风力发电、储能充放电等新能源并网供电系统。当向公共电网有逆向供电现象时,可以快速切除并网点,使本站不持续向电网逆向供电,保证电站的使用满足电网要求。


5.2 主从机版防逆流保护装置-AM5SE-PV 系列防逆流保护装置
光纤直跳方案

AM5SE-PV 系列防逆流保护装置主从机采用光纤方式连接,通过光纤链路远程开入开出实现防逆流。
场景一
当逆流监测点与用户侧并网发电系统并网单元的并网柜之间线缆敷设距离在 100m 至 1.5km 之间可采用 AM5SE-PV 系列主从机方案,主机从机之间可采用多模光纤为 62.5/125um,波长 850nm,ST接口连接。
场景二
当逆流监测点与用户侧并网发电系统并网单元的并网柜之间线缆敷设距离在1.5km至20km 之间可采用 AM5SE-PV 系列主从机方案,主机从机之间可采用单模光纤波长1310nm,ST接口连接。


5.3 GOOSE 通讯方案

AM5SE-PV 系列防逆流保护装置主从机采用光纤方式连接,通过光纤链路组 GOOSE 通信网络实现防逆流。
场景一
当逆流监测点与用户侧并网发电系统并网单元的并网柜之间线缆敷设距离在100m 至 20km 之间可采用 AM5SE-PV 系列主从机方案,主机从机之间可采用单模光纤波长1310nm,FC接口连接;


