
在能源转型加速推进的今天,安全、智能、便携的储能解决方案,正成为破解各类用电难题的关键。无论是工商业园区的成本控制、光储充电站的持续运营,还是偏远矿区与海岛的稳定供电、应急抢险的即时电力保障,传统供电模式往往受限于电网覆盖、运维复杂与成本高昂,难以适应多元户外及工商业用电场景的实际需求。安科瑞始终以技术创新为驱动,紧扣用户真实用电需求,推出的户外储能一体机,正是为应对复杂用电场景而生的一站式解决方案。

安科瑞125kW/261kWh液冷户外储能一体柜,是一款高度集成的工商业储能解决方案。系统采用模块化架构,深度融合电池系统、储能变流器(PCS)、智能液冷温控、多级消防体系、电池管理系统(BMS)及EMS能量管理器于一体,支持并网与离网双模式运行。产品适用于工商业园区、光储充电站、通信基站、离网微电网等多种场景,可实现削峰填谷、需量调控、动态增容及备用电源等核心功能,助力用户有效降低用电成本,提升供电安全与稳定性。




主要功能:
智能能量管理:支持计划曲线(分时功率)、需量管理、动态扩容、备用电源、AI动态优化等多种运行模式,实现电能调度与经济运行。
并/离网无缝切换:在市电异常时可自动切换至离网模式,为关键负载提供不间断电力保障。
远程监控与智慧运维:通过本地EMS控制器与储能运维云平台,实现对系统状态、运行数据、故障告警的实时监测及远程升级。
电网交互与电能质量提升:搭载125kW储能变流器,具备宽电压输入范围,支持电网电压调节、三相不平衡治理、谐波治理等功能,助力改善本地电能质量。
多机并联与集群控制:支持多台储能一体柜并联运行,实现功率与容量的灵活扩展及统一协调调度。
产品特点:
高度集成,部署灵活:采用“All-in-One"一体化紧凑设计,占地面积仅约1.4㎡,安装便捷。模块化结构便于维护升级,支持多机并联扩展。
智能液冷,循环寿命长:配置液冷温控系统与智能热管理策略,电芯温差控制在≤3°C,系统循环寿命较传统风冷提升20%以上。
全栈式安全保障:构建“电芯-模组-簇-系统"多级电气保护,集成“探测(感温、感烟)+抑制(全氟己酮)+泄爆+气体消防+水消防"立体消防体系。
智慧化能量管理:内置高性能EMS控制器,支持本地智能调度与云边协同,可通过手机APP实现远程实时监控与透明化运维管理。
产品组成
本产品由以下核心部件高度集成于户外防护机柜内:


本系统采用高度集成的一体化设计,将电池簇、储能变流器(PCS)、电池管理系统(BMS)、储能控制器(EMS)、液冷热管理系统及多级消防系统整合于单台户外机柜内。其中 5 个标准液冷电池模组(1P52S,166.4V/314Ah)通过高压箱并联组成电池簇(1P260S,832V/314Ah),高压箱内置簇级 BMS(BCU),负责电池簇级保护、状态监测及与 PCS/EMS 通信;PCS(125kW)实现直流侧与交流侧(400V 三相四线)的双向能量转换;EMS 储能控制器协调 PCS、BMS、消防、温控等子系统,执行能量管理策略;热管理系统负责电池模块的制冷、加热;消防系统负责整个柜体的消防状态检测以及火灾预防。

系统布局
储能系统分为电池舱和电气舱,双舱分离设计。电池舱位于柜顶,装有 5 组电池 PACK。电气舱位于柜
底,装有液冷机组、储能变流器、高压箱、辅助用电和进线开关等。


3.1 电池系统
本产品储能箱采用 0.5C/3.2V/314Ah 磷酸铁锂电池,具备安全可靠、系统效率高、循环寿命长等特点,单个电池簇容量为 261kWh,每簇由 5 个电池模组和 1 个高压盒组成,每个电池模组由 52 颗电芯通过串联构成。
3.2 配电与高压箱
配电与高压箱是本系统的能源管理与高压控制核心,集成于柜内独立单元。它具备双重核心功能:一是进行交流配电,为变流器(PCS)、液冷机组及控制系统提供安全可靠的供电;二是作为高压控制中心,负责电池簇的上下电管理、实时采集电压、电流、温度等信息,并集成完备的短路、过流等保护机制,确保高压回路安全。 该单元采用高度集成设计,内部包含如继电器,断路器,熔断器等保护器件及内置的电池簇控制单元 (BCU)。通过标准接口与 PCS、EMS 进行智能联动,是保障系统稳定、安全运行的关键节点。
3.3 电池管理系统
BMS 二级架构,BCU(柜级)和 BMU(PACK 级)。储能电池管理系统 BMS 是电池系统的核心组成部分,主要通过对电池的采集处理提高电池利用率,保证电池使用安全。液冷冷柜采用 BMU 从控和 BCU 主控两级,BMU 从控通过对各单体电池的电压和温度进行准确采集,实现对电池状态的实时监控;BCU 主控通过与 BMU 从控菊花链通讯实现对电池单体电压、温度等的检测,并检测电池组总电压、充放电流、对地绝缘电阻等外特性参数、按照适当的算法对蓄电池内部状态(容量、SOC、SOH)等进行估算和监控,在此基础上实现了对蓄电池组的充放电管理、热管理、单体均衡管理和故障报警,还可以通过总线与 PCS、EMS 等实现信息交互。
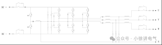
3.4 储能变流器

储能变流器是电网和电池之间的转换装置,可对电池进行充放电。可以把来自于电池的直流电逆变为可并入电网的交流电,还可以把电网的交流电整流为可充入电池的直流电。双向储能变流器可用于并网模式或离网模式。
3.5 储能控制器
EMS 控制器搭载高性能工业级多核处理器,配备丰富的本地接口(包括多路以太网、RS485、CAN、DI/DO),可同时接入并管理 PCS、BMS、电表、消防、温湿度传感器等所有设备。实现储能柜设备的统一采集、存储、能量调度机联动保护。EMS 控制器可通过 4G/以太网与云端平台保持同步,支持远程监控、策略下发,确保系统安全、经济运行。同时,EMS 控制器开放标准协议接口,可无缝接入第三方平台或站级调度系统。

3.6 热管理系统
热管理系统是保障电池安全、效能与寿命的核心子系统,本产品采用智能的液冷方案。该系统主要
由液冷机组、循环管路、冷却液及电池模块内的液冷板构成,通过冷却液在密闭回路中的循环,精准调控每
个电池单体的温度,确保电芯工作在合适温度区间。
3.7 消防系统
本系统集成一套“探测、预警、抑制、泄压"一体化的主动式多重消防系统,对电池舱和电气舱的火灾风险有较好的探测和抑制作用,遵循“早发现、早处置、防蔓延"的安全原则,为电池舱提供多层级的安全防护,保障电池系统的安全稳定运行。

这台设备是All-in-One一体化设计,占地仅1.4㎡,不用建机房、不用复杂布线,户外立装即用,都能直接落地。解决工业园区、光储充电站、通讯基站、海岛微电网等复杂场景用电难题而生的一站式解决方案!