数字经济浪潮下,智算产业成为区域经济发展的核心算力引擎,而电力供应的连续性与稳定性,正是智算产业园平稳运行的 “生命线"。电压的短暂中断,都可能引发算力骤停、数据丢失,为人工智能企业、科研机构、智能制造企业带来难以估量的损失。 安康智算产业园作为陕西省人工智能产业三大聚集区之一,定位全省智算三大供给侧,其 10kV 人工智能高密度机房一期工程对供电提出了要求。安科瑞凭借深耕电力保护领域的技术积淀,以 AM 系列备自投及逐级投切保护装置为核心,为其量身打造高可靠供电解决方案,成功破解智算产业供电痛点,实现电源故障到负载恢复的全自动、低冲击、高稳定控制,为智算算力持续输出筑牢电力屏障。
智算产业园的供电痛点,个个都是 “致命伤"
Acrel
智算产业与传统数据中心截然不同,超高功率密度、不间断算力需求、复杂供电架构,使其供电系统面临多重严峻挑战,传统供电方案早已无法适配,诸多痛点成为制约智算产业园发展的关键:
痛点 1:算力中断即巨额损失,供电连续性要求
AI 模型训练周期动辄数天甚至数月,一旦断电,所有算力资源付诸东流,不仅造成海量时间成本浪费,更会让企业面临订单违约、科研进度停滞等经济与发展损失,算力任务的 “零中断" 成为硬性要求。
痛点 2:机柜功率密度飙升,冲击电流引发连锁故障
智算产业园单机柜功率密度远超传统数据中心,甚至达到兆瓦级,是传统架构的 5 倍以上。若电源切换后一次性投入全部负载,会产生巨大冲击电流,导致电压骤降,轻则引发供电系统二次跳闸,重则直接损坏前端精密算力设备,造成硬件与数据的双重损失。
痛点 3:应急柴发带载受限,满负荷冲击易致停机
柴油发电机作为应急后备电源,启动时间长达 10-30 秒,且带载能力是逐步提升的,无法瞬间承受满负荷冲击。若应急供电时一次性加载所有负载,极易导致柴发过载停机,让智算产业园在市电中断后陷入二次供电危机,加剧供电风险。
痛点 4:多类客户业务叠加,供电切换需 “快且稳"
智算产业园服务覆盖人工智能企业、科研机构、智能制造企业等多元主体,不同业务对供电稳定性的敏感度高。电源切换不仅要速度快,更要全程无冲击,否则会导致客户业务系统崩溃,影响产业园服务口碑与合作粘性。
痛点 5:供电架构复杂多变,全工况逻辑处理难度大
为保障供电可靠性,智算产业园多采用 “两路市电 + 两路柴发 + 母联互联" 的单母线分段供电架构,正常运行时分列供电,故障时需母联互联,市电恢复后还需自动恢复原运行方式。这一架构衍生出单进线失电、双路进线失电、单 / 双进线恢复、柴发协同等十余种工况,各工况下开关动作顺序、延时设置、互锁逻辑均不同,对供电系统的逻辑处理能力提出高要求。
安科瑞定制化解决方案,破解所有痛点
Acrel
针对安康智算产业园的供电需求与核心痛点,安科瑞摒弃传统通用供电方案,以AM5 系列微机保护装置为核心,构建 “备自投 + 逐级投切" 全流程控制系统,同时搭配 AM5SE 系列、AM5-DB 等装置,实现 10kV 高压侧与 0.4kV 低压侧的全电压等级、全应用场景保护,从技术层面解决智算供电难题。

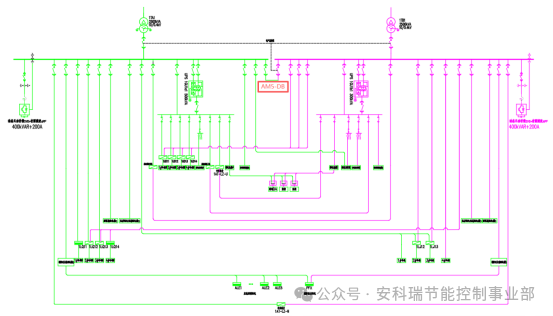
核心架构:两路市电 + 两路柴发 + 母联互联,筑牢供电基础 为从源头保障供电可靠性,安科瑞为项目设计 “两路独立 10kV 市电进线 + 两路柴油发电机进线 + 母联开关互联" 的单母线分段供电系统,I 段、II 段母线正常时分列供电,每段母线各带 5 台 10/0.4kV 干式变压器,为高密度机柜、制冷设备等提供分级配电。单段母线检修或失电时,可通过母联开关实现负荷转移,确保另一段母线持续带载运行,从架构上实现供电 “双保险"。
核心功能 1:AM5-B 备自投装置,实现电源快速可靠切换 配置 1 台 AM5-B 备自投保护装置,专门定制 “两进线两柴发一母联分段备投" 功能,可采集两路市电进线电压电流、两路柴发进线电压及 7 处断路器位置,针对单进线失电、双进线失电、进线恢复、柴发协同等所有工况,预设的开关动作顺序、延时时间与互锁逻辑。 当任意一路市电失电时,装置可在预设延时内自动跳开故障进线断路器,确认母线无压后合上母联开关,实现健康电源的快速切换;当双路市电均失电时,自动触发柴发启动,待柴发电压稳定后合上柴发进线断路器,实现应急电源的无缝接入,全程无需人工干预,确保电源切换 “快且准",从根本上保障供电连续性。
核心功能 2:AM5-F 定制化装置,逐级投切控制,规避冲击风险 配置 2 台 AM5-F 定制化保护装置,实现逐级分合负载核心功能,破解高功率密度机柜冲击电流与柴发带载受限问题。 电源切换或应急柴发接入时,装置会先自动跳开对应母线所有负载,待新电源接入并稳定后,按照预设顺序与延时,分批次、逐级合上负载,将冲击电流严格控制在可接受范围内,避免电压骤降与二次跳闸;同时,逐级投切逻辑可匹配柴发带载能力的提升过程,确保柴发从启动到满负荷的平稳过渡,杜绝柴发过载停机问题,让负载恢复全程 “稳且顺"。
全场景覆盖:多型号装置协同,实现 10kV+0.4kV 全电压保护
Acrel
安科瑞并非简单配置核心装置,而是针对配电系统中不同应用对象、不同电压等级,匹配专属保护装置,构建供电保护体系:
10kV 高压侧:配置 AM5SE-MD 油机进线差动保护装置、AM5SE-F 线路保护装置、AM5SE-UB PT 监测并列消谐装置、AM5-T 变压器保护装置等,实现差动保护、过流保护、PT 监测、变压器非电量保护等全功能覆盖,保障高压侧配电设备安全稳定运行;

0.4kV 低压侧:配置 3 台 AM5-DB 低压备自投装置,实现母联备自投功能,任意一段母线失电时,自动跳开故障进线、合上母联,由健康进线带两段母线运行,市电恢复后自动恢复原运行状态,保障低压侧负载供电可靠性。

所有装置功能互补、协同联动,形成从高压进线、变压器到低压配电的全链路保护,针对智算产业园配电系统的每一个环节,都提供保护与控制。
现场落地稳定运行,用实际效果印证技术实力
Acrel
安科瑞 AM 系列装置采用就地分散安装方式,直接部署在各个开关柜上,无需额外占用机房空间,适配智算产业园高密度配电的布局需求。装置安装完成后,所有保护功能与控制逻辑均完成全面验证,目前已在安康智算产业园正式投入运行,全程实现:
电源故障时,全自动检测、全自动切换、全自动负载恢复,无需人工干预,大幅降低运维成本;
所有工况下,负载投切均为逐级进行,无冲击电流、无电压骤降,供电设备与算力设备零损坏;
市电、柴发、母联互联的全场景切换逻辑、动作可靠,供电系统始终保持稳定运行状态,算力任务全程无中断。
从实际应用效果来看,安科瑞的解决方案满足安康智算产业园高可靠、高密度的供电需求,为其算力业务的持续开展提供了坚实的电力保障。
技术赋能智算发展,安科瑞打造高可靠供电
Acrel
智算产业的发展,离不开高可靠供电系统的支撑。安科瑞深耕电力保护领域多年,打造的 AM6/SE、AM5SE、AM5、AM4 等多系列微机保护装置,具备全场景适配、保护功能全覆盖、运行性能稳定的核心优势,可适配数据中心、智算产业园、机场、石油化工等多行业场景。


此次为安康智算产业园打造的备自投 + 逐级投切解决方案,是安科瑞针对智算产业痛点的一次技术落地,不仅破解了高密度、高可靠智算供电的行业难题,更为全国智算产业园的供电系统建设提供了可复制、可推广的案例。
未来,安科瑞将继续以技术创新为核心,深耕各行业供电保护需求,打造更多定制化、高可靠性的电力保护解决方案,为数字经济发展、智算产业升级筑牢电力 “生命线",让算力供电全程无虞!