1、政策推动
国家能源局颁布的《分布式光伏发电开发建设管理办法》规定,6MW及以上的分布式光伏要求全部自发自用,针对6MW以下的分布式光伏要求自发自用、余电上网的模式,针对部分区域存在分布式光伏装机限制的,部分小于6MW的分布式光伏也要求自发自用,做防逆流控制要求。
2、光伏防逆流位置
如图1所示,虚框为用户电网,该用户电网通过公共连接点C与电网相连。在用户电网内部,有两个分布式光伏发电系统,分别通过A点和B点与用户电网相连,A点和B点均为并网点,但不是公共连接点。在D点有分布式光伏发电系统直接与公共电网相连,D点是并网点,也是公共连接点。因此分布式光伏的防逆流应当监视公共连接点(C或者D点)处的上网功率。

二、分布式光伏电站电力监控系统
针对用户新能源接入后存在安全隐患、缺少有效监控、发电效率无法保证、收益计算困难、运行维护效率低等通点,提出的Acrel-1000DP分布式光伏监控系统平台,对整个用户电站全面监控,为用户实现降低能源使用成本、减轻变压器负载、余电上网,提高收益;节能减碳,符合国家政策。

1、综合看板
光伏电站位置显示
光伏电站数量,峰值发电功率,实时发电功率显示
统计所有光伏电站日、月、年发电量
计算标准煤节约量以及二氧化碳减排量
柱状图展示每月发电量
2、电站状态
展示光伏电站发电功率,峰值功率等基本参数
统计当前光伏电站日、月、年发电量
摄像头实时监测
接入辐照度、环境温湿度、风速等环境参数
显示当前光伏电站逆变器接入数量及其基本参数

3、逆变器状态
逆变器基本参数显示
日、月、年发电量显示
通过曲线图显示逆变器功率、环境辐照度曲线
直流侧电压电流查询
交流电压、电流、有功功率、频率、功率因数查询

4、电站发电统计
统计列表中所有光伏电站日、月、年发电量,支持柱状图和曲线图切换展示以及报表导出功能。
5、逆变器发电统计
统计当前光伏电站中所有逆变器的日、月、年发电量,支持柱状图和曲线图切换展示以及报表导出功能。
6、逆变器曲线分析
展示逆变器直流侧电压、电流曲线,交流侧功率曲线以及环境辐照度曲线、温度曲线。便于用户进行整体分析。

安科瑞防逆流方案:以“软硬结合"筑刚柔并济堡垒
采用不允许向电网倒送电方式的用户侧并网发电系统时,需在公共连接点配置防逆流保护装置,通过防逆流软件柔性调节、防逆流保护刚性跳闸相结合的方案,在产生逆向功率倒送公共电网时快速断开并网柜,防止用户侧并网发电系统持续发电倒送公共电网。
1.不同应用场景下的防逆流保护装置配置方案如下:
1)当逆流监测点与并网柜之间线缆敷设距离100米以内,采用单机版装置AM5SE-IS来实现防逆流保护功能;
单机版防逆流保护装置
AM5SE-IS防逆流保护装置

AM5SE-IS防逆流保护装置主要适用于35kV、10kV及低压380V光伏发电、风力发电、储能充放电等新能源并网供电系统。当向公共电网有逆向供电现象时,可以快速切除并网点,使本站不持续向电网逆向供电,保证电站的使用满足电网要求。

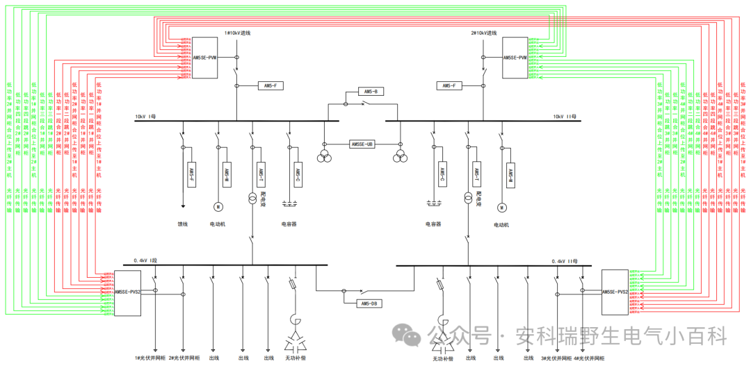
2)当逆流监测点与并网柜之间线缆敷设距离在100米至40kM之间时,采用主从机版装置AM5SE-PV系列,主机从机之间可采用光纤连接,实现主从机的远程防逆流功能。

AM5SE-PV系列防逆流保护装置

光纤直跳方案
AM5SE-PV系列防逆流保护装置主从机采用光纤方式连接,通过光纤链路远程开入开出实现防逆流。
1)当逆流监测点与用户侧并网发电系统并网单元的并网柜之间线缆敷设距离在100米至1.5kM之间可采用AM5SE-PV系列主从机方案,主机从机之间可采用多模光纤为62.5/125um,波长850nm,ST接口连接;
2)当逆流监测点与用户侧并网发电系统并网单元的并网柜之间线缆敷设距离在1.5kM至20kM之间可采用AM5SE-PV系列主从机方案,主机从机之间可采用单模光纤波长1310nm,ST接口连接;
3)当逆流监测点与用户侧并网发电系统并网单元的并网柜之间线缆敷设距离在20kM至40kM之间可采用AM5SE-PV系列主从机方案,主机从机之间可采用单模光纤波长1550nm,ST接口。

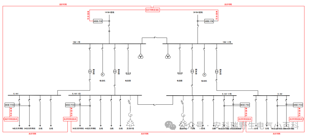
GOOSE通讯方案
AM5SE-PV系列防逆流保护装置主从机采用光纤方式连接,通过光纤链路组GOOSE通信网络实现防逆流。
1)当逆流监测点与用户侧并网发电系统并网单元的并网柜之间线缆敷设距离在100米至20kM之间可采用AM5SE-PV系列主从机方案,主机从机之间可采用单模光纤波长1310nm,FC接口连接;
2)当逆流监测点与用户侧并网发电系统并网单元的并网柜之间线缆敷设距离在20kM至40kM之间可采用AM5SE-PV系列主从机方案,主机从机之间可采用单模光纤波长1550nm,FC接口连接。

主从机通信组网光纤直连拓扑图

主从机通信组网借光纤环网交换机组光纤环网拓扑图
相关硬件推荐
